Профтемы студенту и преподавателю
Taketop.ru
СТУДЕНТУ И ПРЕПОДАВАТЕЛЮ
лекции по дисциплинам
Энергетика, энергетическое машиностроение и электротехника :: Промышленная электроника
Усилитель
Усилитель – это прибор, позволяющий увеличить амплитуду тока, напряжения, мощности, входных электрических колебаний за счет электрического источника питающего усилитель.
 
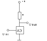
Общая структурная схема усилителя
Рис.1
 
 
 
Общая точка – это проводник в цепи, относительно которого подаются и снимаются Uвх, Uвых, Uпит. и все измеряемые напряжения.
АЭ – активный элемент – элемент, сопротивление которого заметно зависит от входного напряжения.
+Е – это «+» ЭДС источника питания. В этом примере “–“ источника питания обязательно соединен с общей точкой.

Работы, представленные на сайте http://taketop.ru, предназначено исключительно для ознакомления. Все права в отношении работ и/или содержимого работ, представленных на сайте http://taketop.ru, принадлежат их законным правообладателям. Администрация сайта не несет ответственности за возможный вред и/или убытки, возникшие или полученные в связи с использованием работ и/или содержимого работ, представленных на сайте http://taketop.ru
Рейтинг@Mail.ru
Сайт управляется SiNG cms © 2010-2015