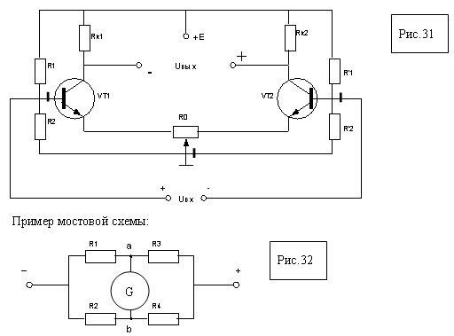
Балансная схема УПТ- мостовая схема УПТ.

Мост считается сбалансированным, если потенциалы в точке a и b равны. Это наблюдается при определенном соотношении R1, R2, R3, R4.
В балансной схеме УПТ мост образован: Rк1, Rк2, VT1, VT2. Одноименные элементы схемы выбираются одинаковые.
За счет R0 осуществляется предварительная балансировка моста, т.е. при Uвх = 0, Uвых = 0.
В данной схеме не возможен дрейф 0, поскольку причины, вызывающие дрейф 0 не могут разбалансировать мост. Например, изменение температуры действует на оба транзистора одновременно и одинаково, поэтому мост не разбалансируется.
При Uвх≠ 0 мост рабалансируется Þ Uвых ≠ 0 и соответствует Uвх.
Для примера полярности Uвх. на рисунке, Uвых имеет противоположную полярность (фазу), т. к. при этом VT1 приоткрываетсяÞUкэ1¯, VT2 прикрываетсяÞ Uкэ2.
|