|
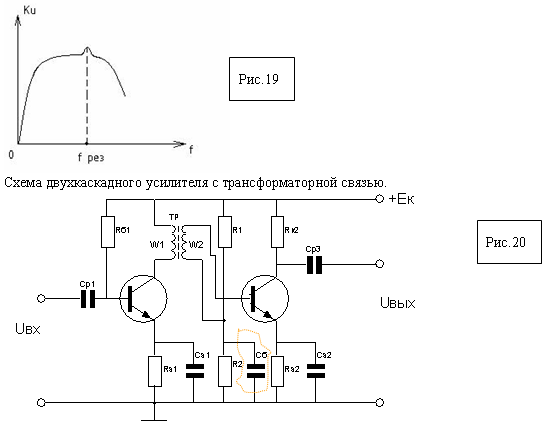
Особенности трансформаторной связи:
1) Трансформатор не преобразует постоянный ток, поэтому разделяет каскады по постоянному току (см. R-С связь).
2) Трансформатор заваливает низкие частоты.
3) Трансформатор за счет резонансных свойств вносит дополнительные частотные искажения.
4) Трансформатор, преобразуя напряжение и ток, например, в 10 раз, преобразует сопротивление в 100 раз. Это позволяет согласовать любое сопротивление Rвх2 с Rвых1
5) Трансформатор имеет большую массу, габариты, большую стоимость.

6) Трансформатор позволяет снизить напряжение питания в два раза, т.к. потери напряжения от постоянного тока в W1 малы.
Сб – блокировочный конденсатор. Обеспечивает прохождение переменной состовляющей тока минуя R2, поэтому Ku↑.
Расчет трансформатора:
n=W2/W1 – коэффициент трансформации
R’н = Rн/n2 – сопротивление преобразованное трансформатором.
Rн – Rвх первого каскада
Выбирая коэффициент трансформации (n) можно получить необходимые R’н при заданном Rн. поэтому такие трансформаторы называют согласующими.
|