|
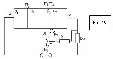
Тиристор – полупроводниковый прибор, имеющий три p-n-перехода и три вывода: анод (А), катод (К), управляющий электрод (Уэ).
*Анод – это вывод крайней «p1»-области;
*Катод-это вывод крайней «n2»-области;
*Управляющий электрод-это вывод средней области.

Принцип включения:
На аноде (А) плюс на катоде (К) минус – прямое включение (Uпр.); p-n-переход управляющего электрода (Уэ) включается в прямом направлении.
Работа
а) Ключ S разомкнут, Uпр увеличивается от 0 до Uвкл., при этом p-n-переходы
П1, П3 – открытый (прямое включение), П2 – закрытый (обратное включение), поэтому ток нагрузки Iн = Iа (ток анода) очень мал – тиристор закрыт.
б) Ключ S – разомкнут, при Uпр = Uвкл, происходит пробой p-n-перехода П2, Iн определяется Rн – тиристор открывается.
в) Ключ S замкнут, под действием источника Еу электроны из области n2 входят в область p2 и способствуют пробою p-n-перехода П2. В результате тиристор открывается при меньшем напряжении включения.
Чем больше ток управления Iу, тем Uвкл меньше.
|