Профтемы студенту и преподавателю
Taketop.ru
СТУДЕНТУ И ПРЕПОДАВАТЕЛЮ
лекции по дисциплинам
Энергетика, энергетическое машиностроение и электротехника :: Промышленная электроника
Неинвертирующий повторитель напряжения
Для неивертирующей схемы включения ОУ Ku ос=1+R2/R1, если R2=0 bkb R1→ ∞ (убрать R1), то Ku ос=1, т.е. схема представляет собой неивертирующий повторитель напряжения с гигантским Rвх до нескольких ГОм, такой повторитель напряжения позволяет согласовать высокоомный источник входного сигнала с любой по R нагрузкой.
 
1)                  Сумматор на ОУ
Рассмотрим инвертирующий сумматор на ОУ.
Рис.59
 
Найдем напряжение выхода:
Для этого учтем что точка А- кажущиеся 0
φА→0
т.к. для идеального ОУ (Ku→ ∞, Rвх→ ∞) любой входной сигнал действующий в точке А, заметно усиливается и через ООС поступает в точку обратным знаком , при том Uос→ компенсировать Uвх. Значит
Uвых=-Iос*Rос (1)
Т.к. точка А и общая точка имеют одинаковый потенциал при RвхОУ→ ∞, следовательно Iвх1+Iвх2+Iвх3=Iос, при этом Iвх1+Uвх1/R1, Iвх2+Uвх2/R2, Iвх3+Uвх3/R3.
Uвых1= -( Uвх1/R1+ Uвх2/R2+ Uвх3/R3)*Rос=(Rос/R1*Uвх1+Rос/R2*Uвх2+Rос/R3*Uвх3) (2), следовательно Uвых = сумме выходных напряжения со знаком минус с учетом весового коэффициента на каждом входе. Kвес i=Roc/Rвх i. Весовой коэффициент входа i = отношению Roc к Rвх данного входа. Сумматор на ОУ осуществляет алгебраическое сложение (с учетом знака) входных напряжений с учетом весового коэффициента на каждом входе.
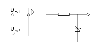
2)                  Компаратор на ОУ
Признак схемы компаратора: отсутствие ООС. Компаратор на ОУ сравнивает напряжения на прямом и инверсном входе и выдает результат виде или +Umax или -Umax.
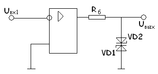
Рис.60
 
Rб и стабилитроны VD1 и VD2 – это двуполярный параметрический стабилизатор напряжения.
 -Uвых max = -(Uст1+Uпр2)
VD2 определяет +Uвых max = (Uст2+Uпр1)
Эта схема сравнивает Uвх1 с нулем т.к. прямой вход соединен с общей точкой
Uвх пр=0
Uвх1>0 следовательно Uвых = -Uвых max
Uвх1<0 следовательно Uвых = +Uвых max
Рис.61
 
                    №2
Знак Uвых определяется с учетом свойств входов, знака входного напряжения модуль вектора которого больше.
1)                  Uвх1 = -1В, Uвх2 = -2В следовательно Uвых = -Uвых max
2)                  Uвх1     = 2В, Uвх2 = 1В следовательно Uвых = -Uвых max
т.к. / Uвх1/>/ Uвх2/
3) Uвх1 = 1В, Uвх2 = 2В следовательно Uвых = Uвых max
 

Работы, представленные на сайте http://taketop.ru, предназначено исключительно для ознакомления. Все права в отношении работ и/или содержимого работ, представленных на сайте http://taketop.ru, принадлежат их законным правообладателям. Администрация сайта не несет ответственности за возможный вред и/или убытки, возникшие или полученные в связи с использованием работ и/или содержимого работ, представленных на сайте http://taketop.ru
Рейтинг@Mail.ru
Сайт управляется SiNG cms © 2010-2015