
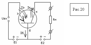
В схеме с ОБ:
1.1 Iвх=Iэ, Iвых=Iк. Iвх≥Iвых, следовательно схема с ОБ не усиливает ток;
1.2 Uвх≈Е1, Uвых≈Е2, при Е2>>E1, следовательно Uвых>>Uвх. Схема с ОБ заметно усиливает напряжение до 100 раз;
1.3 Iвх = Iэ – наибольший ток, следовательно входное сопротивление наименьшее в схеме с ОБ (до 100 Ом для маломощных транзисторов);
1.4 Два разных источника напряжения питания;
1.5 Хорошие температурные и частотные свойства (fгр – наибольшая).
|